GW4-40.5 630A 35KV New Power station type isolation switch
Product Description
GW4 outdoor AC isolation switch is a switch for high-voltage line in the no load flow, and the high voltage bus, circuit breakers and other electrical equipment maintenance and high voltage circuit of electrical isolation in.In the main switch in the off position can provide a visible insulation distance safety requirements;This product is a double column horizontal open type, main switch points, closing operation, the left, the right to the same side contact should be rotated 90 degrees. The grounding switch is the first rotary, linear insert again to complete the whole process. Current varieties using double conductive system parallel arrangement, increase the flow capacity, reduce the consumption of material. The actuator can adopt manual and electric, manual with CSA mechanism, electric with CJ11 mechanism; GW4 outdoor AC isolation switch is on the basis of the previous Gw4 products, after further improvement and perfection of product improvement, compared with GW4 products in the pa st, there are many significant improvements, the main knife material with copper, contact a thick silver plating . Connecting terminal electrically conductive multilayer with soft connected component ; grounding knife material is aluminum alloy conductive tube, contact for copper thick silver plating, exposed steel parts are hot-dip galvanized or dacromet. Thus Gw4 products, our factory has advanced structure, strong corrosion resistance,easy to operate, safe and reliable operation, the advantages of electrical and mechanical stability.
Model Description
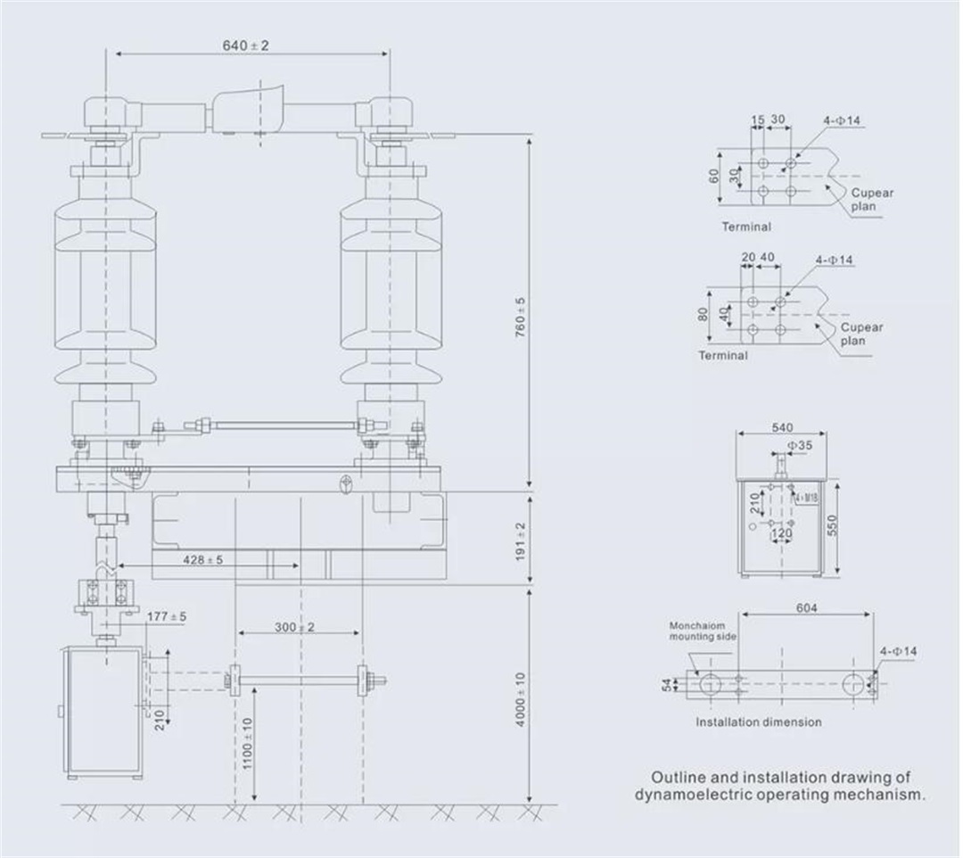
Product technical parameters and external dimensions


Product structure features
♦ The contact spring adopts an external pressure type, so as to avoid accidents caused by the spring current-carrying failure.
♦ The conductive tube adopts the square aluminum alloy tube; the flexible connection is made from copper; the conductive contact surface is silver-plated; high mechanical strength and good through-current effect.
♦ The drive parts adopt stainless steel axle pin and composite axle sleeve with less friction and reliable drive.
♦ A reliable interlock device is arranged between the main earthing knife-switch and earthing knife-switch to prevent incorrect manipulation effectively.
♦ The mounting base is fully-sealed, which can effectively prevent water and dust. The bearing pedestal is provided with an oil filler hole and can be maintained without power cut, thus improving the reliability and convenience of the switch.
♦ Large steel parts are hot-dip galvanized with good appearance quality and strong anti-corrosion capability.
Environment condition
Product details
Products real shot
Product choice

A corner of the production workshop
Product packaging
Product application case







